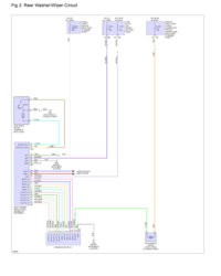
Rear window washer

FxMike

Member
Car
2004 FX45
Name
Michael
My rear window washer seemed to have stopped working. Anybody know the problem? Does anybody know if there is a fuse just for that? Could it be clogged?
 
Last edited:
Does anybody know where the actusl pump/motor is located in the vehicle? Is under the hood or back?
 
Does the same fuse work for both the front and rear pump/motors? Cuz my front washer works but rear doesn't. And the fuse wasn't blown. Also tried the pin in the hole trick to unclog it maybe and still nothin.
 
Looks like there is one fuse for both washer. Fuse is in the engine compartment behind the battery. I would remove the rear fluid line from the rear wash motor/pump and test to see if any fluid comes out from the pump or swap the front and rear fluid line to test.
 
Ok thanks. I can get a used rear pump for like 20 bucks off ebay if I need one.
 
Back
Top